开元(中国)
关于银羊
企业简介
文化理念
发展历程
企业资质
联系我们
开元官方版网站登录入口
产品展示
不锈钢水管
不锈钢管件
合作加盟
业绩案例
应用领域
业绩案例
分支机构
北京
上海
安徽
热线: 0513-69983378
|
联系
关闭
客户服务热线
0513-69983378
联系我们
在线客服
产品展示
不锈钢水管
不锈钢管件
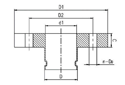
沟槽式法兰
产品示意图
产品参数
◀ 上一个
返回顶部
下一个 ▶
公司简介
企业简介
文化理念
发展历程
实验室
应用领域
业绩案例
开元官方版网站登录入口
公司新闻
产品知识
行业动态
产品知识
产品展示
不锈钢水管
不锈钢管件
资质荣誉
公司荣誉
企业资质
联系我们
招贤纳士
客户反馈
联系方式
开元官方版网站登录入口
地址:南通市南通高新技术产业开发区金鼎路33号
电话:0513-69983378
邮箱:jsyybxggy@163.com
网址:www.ewebinars.com
开元(中国)
关于银羊
开元官方版网站登录入口
产品展示
合作加盟
业绩案例
分支机构
联系我们
乐竞官网
|
国际米兰官方网页
|
大小球官网
|
热博网页
|
乐竞体育官网首页
|
开云球赛
|
世俱杯手机在线官网
|
天行官方网站
|
世爵登陆平台
|