菜单
热线: 0513-69983378 | 联系

客户服务热线

0513-69983378

在线客服
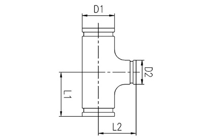
沟槽式异径三通

产品示意图

产品概述

沟槽管件的连接操作是非常简易的,无需特殊的专业技能,普通工人经过简单的培训即可操作。这是因为产品已将大量的精细的技术部分以工厂化方式溶入到了产成品中。一处管件连接仅需几分钟时间,大限度的简化了现场操作的技术难度,节省工时,从而也稳定了工程质量,提高了工作效率。这也是安装技术发展的总体方向。     另外,由于沟槽管件为成品件,现场所需要的操作空间小,可真正的实现靠墙靠角安装,操作难度大为减小,从而节省了占地面积,美化了管道安装的效果。

一、系统稳定性好,维修方便

沟槽管件连接方式具有独特的柔性特点,使管路具有抗震动、抗收缩和膨胀的能力,与焊接和法兰连接相比,管路系统的稳定性增加,更适合温度的变化,从而保护了管路阀件,也减少了管道应力对结构件的破坏。由于沟槽管件连接操作简单,所需要的操作空间变小,这为日后的维修带来了许多方便条件。当管道需要维修和更换时,只需松开两片卡箍即可任意更换、转动、修改一段管路。不需破坏周围墙体,减少了维修时间和维修费用。

二、管道原有的特性不受影响

沟槽管件连接,仅在被连接管道外表面用滚槽机挤压出一个沟槽,而不破坏管道内壁结构,这是沟槽管件连接特有的技术优点。如果采用传统的焊接操作,许多内壁做过防腐层的管道都将遭到破坏。因此规范规定镀锌管道,衬塑钢管、钢塑复合管等都不得使用焊接和法兰连接,否则需要二次处理。

三、有利于施工安全

采用沟槽管件连接技术,现场仅需要切割机、滚槽机和钮紧螺栓用的搬手,施工组织方便。而采用焊接和法兰连接,则需要配备复杂的电源电缆、切割机具、焊接机及氧气和气瓶等,这给施工组织带来了复杂性,且也存在着漏电和火灾的危险隐患。同时焊接和气割所产生的焊渣,不可避免的落入管道内部,使用中容易产生管路阀件甚至设备堵塞,也污染管内水质。另外,焊接和法兰连接不可避免需要长时间的高强度的高空作业,也容易发生生产安全事故。

产品参数

公司简介
企业简介
文化理念
发展历程
实验室
应用领域
业绩案例
开元官方版网站登录入口
公司新闻
产品知识
行业动态
产品知识
产品展示
不锈钢水管
不锈钢管件
资质荣誉
公司荣誉
企业资质
联系我们
招贤纳士
客户反馈
联系方式
开元官方版网站登录入口
地址:南通市南通高新技术产业开发区金鼎路33号
电话:0513-69983378
邮箱:jsyybxggy@163.com
网址:www.ewebinars.com