菜单
热线: 0513-69983378 | 联系

客户服务热线

0513-69983378

在线客服
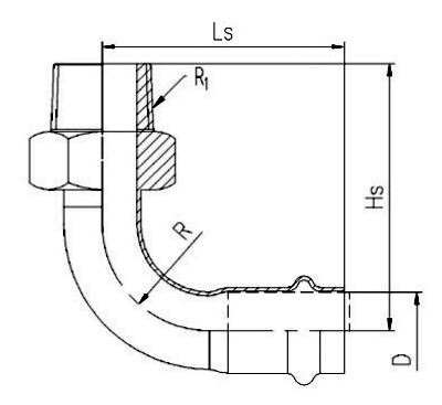
外螺纹长弯头

产品示意图

产品概述

  内螺纹长弯头,螺纹弯头(又名丝扣弯头)在管路系统中是改变管路方向的管件。按角度分,有45°及90°,另外根据工程需要还包括60°等其他非正常角度弯头。螺纹弯头的材料有铸铁、不锈钢、合金钢、可煅铸铁,碳钢,有色金属及塑料等。

  内螺纹长弯头产品特性:螺纹弯头由螺口、弯曲部分等组成 PPR螺纹弯头其特征在于在螺口上有螺纹槽,在管路系统中,螺纹弯头是改变管路方向的管件。 螺纹弯头的压力有:2000LB、3000LB、6000LB螺纹弯头的主要制造标准一般有GB/T14383、ASME B16.11、BS 3799

产品参数

公司简介
企业简介
文化理念
发展历程
实验室
应用领域
业绩案例
开元官方版网站登录入口
公司新闻
产品知识
行业动态
产品知识
产品展示
不锈钢水管
不锈钢管件
资质荣誉
公司荣誉
企业资质
联系我们
招贤纳士
客户反馈
联系方式
开元官方版网站登录入口
地址:南通市南通高新技术产业开发区金鼎路33号
电话:0513-69983378
邮箱:jsyybxggy@163.com
网址:www.ewebinars.com