菜单
热线: 0513-69983378 | 联系

客户服务热线

0513-69983378

在线客服
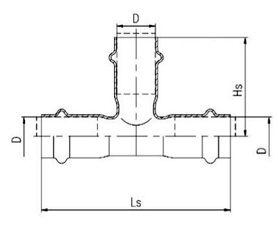
等径三通接头

产品示意图

产品概述

三通又称管件三通或者三通管件,三通接头等。主要用于改变流体方向的,用在主管道要分支管处。可以按管径大小分类。不锈钢材质制作。

三通为管件、管道连接件。又叫管件三通或者三通管件,不锈钢等径三通 三通接头,用在主管道要分支管处。 三通是具有三个口子,即一个进口,两个出口;或两个进口,一个出口的一种化工管件,有T形与Y形,有等径管口,也有异径管口,用于三条相同或不同管路汇集处,三通的主要作用是改变流体方向的。

产品参数

公司简介
企业简介
文化理念
发展历程
实验室
应用领域
业绩案例
开元官方版网站登录入口
公司新闻
产品知识
行业动态
产品知识
产品展示
不锈钢水管
不锈钢管件
资质荣誉
公司荣誉
企业资质
联系我们
招贤纳士
客户反馈
联系方式
开元官方版网站登录入口
地址:南通市南通高新技术产业开发区金鼎路33号
电话:0513-69983378
邮箱:jsyybxggy@163.com
网址:www.ewebinars.com